Pojmy 1. část
Integrovaný záchranný systém, ochrana obyvatelstva, vědecko-výzkumná, polní telefon TP25...
- Integrovaný záchranný systém (IZS)
- Dětský vak DV-62
- Vývoj pozorovatelen CO
- Prahu by zatopila radioaktivní voda. Ihned by umřely desítky tisíc lidí
- Ochrana obyvatelstva V ČR
- Ochrana obyvatelstva ve světě
- Vědecko-výzkumná činnost na podporu ochrany obyvatelstva
- Zákon č. 73/1973 Sb. Zákon o branné výchově
- Časopis Civilní obrana 1/1935
- Ochranná maska
- Povodně v České republice
- Draze získané zkušenosti a jejich využití ke zkvalitnění ochrany před povodněmi za posledních 10 let
- Polní telefon TP25
- Telefonní ústředna UT11
- Případ radioaktivní povodňové vlny - dobové dokumenty
- Předběžné rozhodnutí velitele CO města k provedení prvořadých záchranných, likvidačních a nezbytně nutných obnovovacích prací
- Prahu by zatopila radioaktivní voda. Ihned by umřely desítky tisíc lidí
- Radioaktivní suť a 42 500 mrtvých. SNB se chystala na vlnu, která po útoku na přehrady smete Prahu
- Vývoj pozorovatelen CO
- Dětský vak DV-52
- Dětský vak DV-62
- Dětský vak DV-75
- Přeprava dětí v dětských vacích
- Heliograf HEL-CO vz.64
- Meteorologická souprava MET-CHEM
- Polní chemická laboratoř (PCHL-54)
- Přenosná chemická laboratoř (PCHL-75)
- Souprava VDK – 62 (a)
- Příprava občanů k civilní obraně (POCO)
- Chemický průkazník – CHP-71
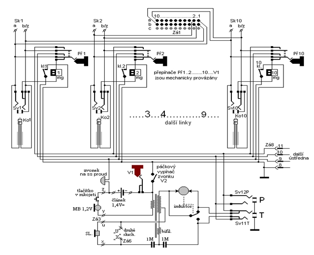
TELEFONNÍ ÚSTŘEDNA UT11
| Popis: |
|---|
![]() |
Ústředna UT-11 slouží k propojení dvou až deseti polních telefonů pomocí spojovatele.
Funguje s polními telefony TP25 (českými), TA57 (ruskými) i telefony Tesla 3FP12022.
Dvě a více ústředen lze propojit a obsluhovat tak více než 10 linek. Ústředna je plechová skříňka š=34,5cm x v=18cm x h=19cm, vážící 9,5kg. K přenášení je opatřena koženým madlem a zářezy pro okované konce ramenního popruhu. Přední stěna je odnímatelná a kryje prostor návěstních klapek, propojovacích zdířek a kolíků. Na vnitřní straně přední stěny je schema.
Horní šikmý kryt je oklopný, pod ním se nacházejí tlačné svorky pro připojení linek k jednotlivým telefonům. Zadní stěna je také odklopná. Pod ní (viz. fotografie) je při přepravě uschováno telefonní sluchátko, klička induktoru, propojovací káblík. V levé části je oddělený prostor pro napájecí článek. V zadním prostoru se nachází 30-pólová zásuvka umožňující připojení telefonů vícežilovým kabelem, čehož se využívá při stacionárním použití (místo tlačných svorek). Vlevo od 30-pólové zásuvky se nachází 4-pólová zásuvka pro připojení další ústředny a 2-pólová zásuvka pro příposlechové sluchátko. Na zavřeném zadním víku jsou otočným víčkem kryté zdířky. Do zdířky "T" je možné připojit další polní telefon TP25, který odpojí a zcela nahradí telefon vestavěný v ústředně (např. při jeho poruše). Do zdířky "P" lze připojit buď náhlavní sluchátka nebo telefonní přístroj, který bude paralelní linkou s přístrojem spojovatele.
Příprava ústředny k provozu:
Sundejte přední víko ústředny. Rozbalte svazek propojovacích kolíků a šňůr. Kolíky zasuňte do slepých otvorů na bakelitové desce (pod mosazné zdířky). Odklopte zadní víko. Do výklenku v levé části skříně vložte napájecí článek a připojte ho na šroubovací svorky označené "+" a "-". Nemáte-li originální suchý mangan-zinkový článek se vzdušnou depolarizací typu AS4 o napětí 1,4V použijte běžně prodávaný velký monočlánek R20 o napětí 1,5V (kvůli skladovatelnosti nejlépe alkalický). Nepožívejte plochou baterii ani žádné vyšší napětí než 1,5V. Ústředna odebírá proud ze zdroje jen když je zapnuté vyzvánění nebo když spojovatel hovoří - napájecí článek proto vydrží velmi dlouho. Z odkládacího otvoru v pravém horním rohu zadního panelu vyjměte kličku. Tu našroubujte na přední straně ústředny na hřídel induktoru (otvor vpravo pod páčkovým vypínačem zvonku). Připojte telefonní sluchátko do příslušné zásuvky uprostřed zadního panelu. Stiskněte klávesu na držadle telefonního sluchátka a fouknutím do mikrofonu vyzkoušejte, zda je telefon ústředny funkční. Sluchátko položte vedle ústředny, šňůru ke sluchátku vyveďte výřezem v boční stěně a zadní stěnu ústředny uzavřete. Na tlačné svorky pod zkoseným krytem připojte všechny vzdálené polní telefony. Na bílou plastovou lištu nasazenou na propojovací desce pod okénky si obyčejnou tužkou nebo permanentní fixou napište, která zdířka přísluší kterému telefonu (pozice v terénu). Víko tlačných svorek uzavřete tak, aby gumová lišta překryla linkové vodiče. Na přední stěně ústředny stiskněte červený knoflík vpravo nahoře, čímž se "natáhnou" padací klapky tak, že všechna okénka budou černá. Páčkový přepínač zvonku přepněte do polohy "zvonek zapnutý".
Obsluha ústředny:
Příklad spojení - volá účastník připojený k lince č.1. U čísla 1 spadne bílá návěstní klapka do okénka (rozezní se zvonek). Spojovatel stiskne černý knoflík nad bílým okénkem: "Haló, tady ústředna," (bílá klapka se skryje). Volající vysloví svůj požadavek: "Spojte mě na trojku." Spojovatel vytáhne kolík č.1 ze slepého otvoru č.1 a zasune ho do mosazné zdířky č.3, po zasunutí zatočí spojovatel kličkou induktoru - tím zazvoní telefon č.3 (volaný zvedne sluchátko) i telefon č.1 (volající pochopí, že je spojen). Pokud nechá spojovatel stisklé tlačítko nad okénkem č.1, může připoslouchávat nebo příposlech zruší červeným tlačítkem. Bude-li nyní volat další účastník, spadne nová bílá klapka. Spojovatel nechá původní hovor 1..3 probíhat a výše popsaným způsobem spojí nový hovor. Později, až bude mít čas, se stiskem černého tlačítka nad spojenou linkou 1 přesvědčí, zda hovor 1..3 ještě trvá nebo zda byl už ukončen: "Ještě stále hovoříte?" Pokud nikdo neodpoví a hovor skončil, vytáhne kolík č.1 z mosazné zdířky č.3 a vrátí ho do odkládací slepé díry č.1.
Údržba:
Přístroj skladujte v suchu a s ohledem na gumové díly chraňte před horkem. Při delší odstávce vyjměte baterii. Pokud je ústředna delší dobu v nečinnosti (řádově rok a více), doporučuji před použitím prostříknout všechny zdířky i zásuvky přípravkem na kontakty a několikrát popřepínat všechny vypínače a přepínače tak, aby se zoxydované doteky očistily. Při spadlých návěstních klapkách a vloženém napájecím článku nechejte chvíli prozvonit zvonek (případně mu poklepem na skříňku pomožte). Hřídel induktoru namažte strojním olejem. Sluchátko a mikrofonní vložku nahrazujte vždy předepsaným typem - jedná se o prvky shodné s TP25 (tj. mikrofon označení MB 1,2V).
Slovní popis se zdá složitý, ale tato ústředna je udělaná velmi jednoduše a spolehlivě. Po dvou či třech spojeních zjistíte, že je ovládání zcela intuitivní a logická činnost - kabely s kolíky spojují vlastní účastníky, černá tlačítka slouží pro hovor spojovatele. Pokud se chce někdo v terénu opravdu dobře spojařsky "vyřádit", je UT-11 s několika telefony TP25 pro něj ta pravá mašinka na hraní - ať už to bude na letním táboře nebo při airsoftu. Ponecháme-li stranou volno-časové aktivity, lze ústřednu UT-11 využít i pro serióznější práci, např. pro vyřešení centrálního spojení při živelných událostech na úrovni malých obcí.
Schema zapojení:


